キャブレターオーバーホール 受付フォーム

【初期型TMR/TMR-MJNキャブレター オーバーホールについてのお知らせ】

  • 1990年代前半頃に製造されたTMR/TMR-MJNキャブレターに使用されているシールリング(非分解部品)がミクニにて生産終了となります。現行品とはボディ形状の違いにより互換性が無くシールリングの在庫が無くなり次第、交換対応を終了させていただきます。
  • シールリング交換を伴わない作業についてキャブレターオーバーホール作業をお受けする事は可能ですが、シールリングを再使用した場合、本来の性能発揮や不具合症状の改善ができない可能性が有る事をご了承いただいたうえでの作業となります。末永く安全にご使用頂く為には、是非お買い替えもご検討ください。
お客様情報
お名前
(必須)
 
郵便番号
(必須)
住所
(必須)
メールアドレス
(必須)

メールアドレスの誤入力が多発しております。送信前に必ずご確認ください。
電話番号
(必須)
ショップ名
(任意)
※ショップ様記入欄です。一般の方からのお申込みの場合は記入不要です。

ショップ名 営業時間・定休日
キャブレター情報
キャブレター種類
(必須)
▼下記よりお選びください
   
口径
(必須)
▼下記よりお選びください
仕様
(必須)

購入時期
(必須)

で購入
ヨシムラO/H経験
(必須)

使用車両
(必須)
車両名
年式
使用年数
(必須)
購入後またはO/H後から

【キャブレターの荷姿についての注意点】

① スピゴットは内部のOリング等が検品対象となる為取り外さずにそのままでお願いします。
② 負圧ホースを取り付けている場合はホースを取り外し負圧キャップを紛失している場合は交換希望パーツの[不使用]にチェックを入れて下さい。
③ ファンネル、パワーフィルター及びフィルターアダプターの取り外しには別途追加工賃を頂きますのでお客様の方で取り外し保管下さい。
④ フロート室内のガソリンは完全に抜いた状態でご発送下さい。加速ポンプノズル内のガソリンもロッドを押すなどして確実に抜くようご協力お願いします。
⑤ エアベントホース、ガソリンホース及び燃料フィルター等も取り外しに別途追加工賃を頂きますのでお客様の方で取り外し保管下さい。

【お見積もりについての注意点】
キャブレター送付後のオーバーホールキャンセルは基本的にお断りします。
万が一キャンセルされる場合はお見積り料金として各対象キャブレターの基本工賃額をご請求させて頂きます。
その際のキャブレターは仮組み状態での返却となり返送料お客様負担にてご返却となる場合があります。
また、非分解部品を分解されたキャブレターはオーバーホールをお断りさせて頂きます。

●料金について
(表示価格は税込です)
1.基本工賃 シングル: ¥7,700 ツイン: ¥14,300 マルチ: ¥23,100
・分解、組立、内部洗浄、同調調整等が含まれます。
2.通常オーバーホールでは、基本工賃に加え交換部品の料金が別途かかります。
3.燃料の固着や目詰まり等汚れがある場合は別途、追加洗浄料金 ¥3,300 ~を頂きます。
シングル:¥3,300~、ツイン:¥5,500~、マルチ:¥7,700~
4.基本工賃+基本的なOリング等消耗品+追加洗浄費の平均金額はおおよそ ¥60,500程、シングルは¥22,000程になります。
5.キャブレター送付後のオーバーホールキャンセルは基本的にお断りしております。万が一キャンセルされる場合は、お見積り料金として各対象キャブレターの基本工賃額をご請求させて頂きます。
6.以下の部品の取り外しは有料となります。オーバーホール依頼時はキャブレターから取り外して保管ください。
・ファンネル、パワーフィルターアダプター等取り外し 1個 ¥1,100
・エアフィルター、インシュレーター、マニホールド等取り外し 1個 ¥550
・ガソリンホース、負圧ホース等取り外し 一本 ¥2,200

●ご発送から作業終了までの注意点
・キャブレター到着後、約2週間でオーバーホールが完了しますが、到着が遅れますと受付時にお伝えした納期が変更になる可場合があります。
・キャブレター到着後、分解作業を行い、別途交換が必要なパーツが確定します。その際に事前にお伝えしていた金額から大きく変更になる場合もある為、その際は随時ご連絡させて頂きます。
・弊社へご発送時の送料はお客様のご負担となります。着払いで到着した場合は、オーバーホール代金と合わせてご請求させていただきます。

●交換部品に関する注意点
・ミクニ指定による非分解部品(詳細はお問い合わせください。)及び交換した部品については交換作業後の返却は致しかねますのでご了承下さい。
・交換をご要望されている部品で、現状再使用が可能だと判断できる部品に関してはご返却致します。
・弊社にて再使用が難しいと判断された部品に関して、お客様のご都合で交換を拒まれる場合、O/H後の不具合対応が出来なくなってしまう可能性があります。


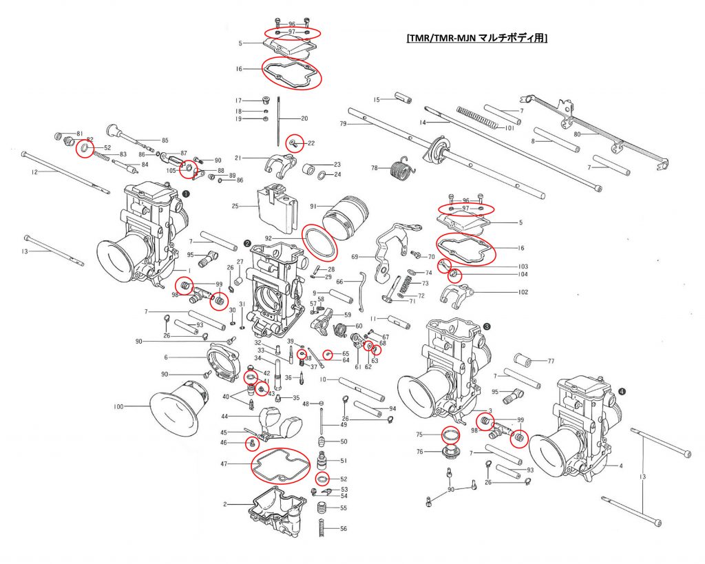
TMR/TMR-MJN 交換希望パーツのご確認

下の図の赤丸で囲ってあるパーツに関しては基本的に交換します。
・お客様自身で交換し、まだ日が浅い場合は要望欄にご記入ください。
キャブレター到着後、メカニックより再使用が可能かどうかのご連絡をさせて頂きます。

メカニックに全て一任する場合は 全て「おまかせ」にチェックをお願いします。
キャブレター到着後にメカニックが実際の状態を見て判断し見積もりとしてご案内させていただきます。
(正確な金額は作業終了時にお伝えします。)

TMR/TMR-MJN 交換希望バーツ
トップカバー(赤)
(776-***-9000)
¥2,750(税込)
ドレンボルト(赤)
(776-000-8000)
¥1,320(税込)
各種MJNノズル
(776-***-1000)
¥5,500(税込)
MJN用ストッパー
(776-000-3000)
¥330(税込)
MJN専用 ノズルガイド
(776-000-2000)
¥1,320(税込)
ファンネルアダプター Oリング
(779-000-0206)
¥770(税込)
フィルターアダプター Oリング
(879-210-0180)
¥770(税込)
TMR ステッカー(ヨシムラ)
¥110(税込)
MJN エンブレム
¥550(税込)
負圧ニップルについて 負圧ニップル使用の為キャップを外されてるお客様は不使用にご記入ください、未記入の場合は新品を取り付けてお渡しします。
負圧キャップ (779-000-0027) ¥330(税込)
シングルボディの方は1番のみチェックを入れて下さい。

1番   
2番   
3番   
4番   
その他連絡事項・ご要望 お客様自身で破損、欠品が確認でき、追加注文が必要だと思われるパーツがある場合はこちら部品展開図にある番号をご記載ください。
受付用紙到着時に、ご記入頂いたパーツを計算し、より正確な仮見積もりとしてご案内します。

画像添付 ×
画像形式 JPEG(.JPG)のみ、サイズは2MB以内でお願い致します。

お問い合わせフォームより受付させて頂くと5~10分程で、ご記入頂いたメールアドレスに受付完了のメール(自動配信)が送信されます。
メールが受信できない場合は、下記メールの設定をご確認ください。

■ PCをご利用の場合

お使いのメールソフトによっては、メールが「迷惑メール」フォルダに入る場合がございます。
メールが届かない場合は、迷惑フォルダもご確認ください。

■ スマートフォンアドレスをご利用の場合

各キャリアのセキュリティ設定によりメールが正しく届かない場合がございます。
「yoshimura-jp.com」ドメインからのメールを受信できるよう設定をお願い致します。

個人情報の取り扱いについて

お客様からご提示いただく個人情報を、どのように利用し、保護・管理するかについて、下記の通りご説明いたします。

株式会社ヨシムラジャパンにおける個人情報の取り扱いについて

株式会社ヨシムラジャパン(以下、当社という)は、商品企画、商品製作、商品販売及び全ての当社業務において、お客様の個人情報に接しています。
当社は、これらの個人情報が個人の人格に関わる重要な情報と位置づけ、その保護を重要な社会責務と考えております。
そこで当社が運営するウェブサイト(以下、当ウェブサイトという)では、お客様からいただいた個人情報に関しましてプライバシーポリシーを定め、
お客様が安心して当ウェブサイトを利用いただける運営・管理を行っていきます。

1. 当社は、お客様より収集した個人情報は、厳重に管理いたします。 当社では個人情報への漏洩、紛失、破壊、不正アクセスなどに関し、
予防措置その他個人データの安全管理(情報セキュリティ対策)のために必要かつ適切な処置を講じるとともに、
個人情報保護の為の内部管理体制(コンプライアンス・プログラム)の継続的な改善を行います。

2. 当社は、個人情報をご提供いただく場合は、お客様に使用目的を通知した上、必要な範囲の情報を収集させていただきます。

3. 当社は、お客様よりご提供いただきました個人情報は適切に管理し、次の場合を除き、第三者には開示・提供はいたしません。

(1) お客様の同意が得られている場合。
(2) 商品、および製品代金の決済のために、当社の必要かつ適切な監督のもと、業務を外部業者に委託する場合。
(3) 法令に基づき、司法・行政機関等から提供を求められた場合。

4. 当社は、お客様からご提供いただいたお客様ご本人に関する個人情報の開示・訂正・削除などの要請があった場合は、速やかに対応させていただきます。

5. 当社は、個人情報に関する法令を遵守するとともに、法令等の変更に合わせてプライバシーポリシーを見直し、改善していきます。

上記の「個人情報の取り扱いについて」を必ずお読みいただき、弊社への個人情報の提供にご同意いただいた場合には「同意して確認画面へ」ボタンをクリックしてください。





×